

| 参数号码 | 参数名称 | 出厂值 [代码] | 设定值 [代码] |
|
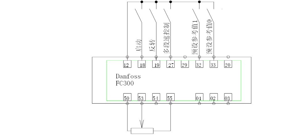
3-04 |
参考值功能 | [0] 总和 | [1] 外部/预置 |
|
5-12 |
端子 27 数字输入 | [2] 惯性停车 | [15] 预置参考值开 |
|
5-14 |
端子 32 数字输入 | [0] 无功能 | [17] 预置参考值位 Bit1 |
|
5-15 |
端子 33 数字输入 | [0] 无功能 | [16] 预置参考值位 Bit0 |
|
P310.0 |
预置参考值 |
[0] 0.00 % |
[0] 一段速设定值 |
|
P310.1 |
预置参考值 |
[1] 0.00 % |
[1] 二段速设定值 |
|
P310.2 |
预置参考值 |
[2] 0.00 % |
[2] 三段速设定值 |
|
P310.3 |
预置参考值 |
[3] 0.00 % |
[3] 四段速设定值 |