榴莲视频导航污下载在线观看,榴莲APP官方下载进入网站,榴莲视频污版APP在线下载,榴莲视频黄片版在线免费观看
首页
企业中心
公司简介
企业文化
认证获奖
组织架构
大事记
加入榴莲视频导航污下载在线观看
新闻资讯
行业新闻
公司新闻
产品信息
丹佛斯产品系列
汇川产品系列
伟肯产品系列
海利普产品系列
台达产品系列
技术服务
维修和维护
丹佛斯售后服务
技术培训
专业文章
资料下载
工程技术
工程技术
联系榴莲视频导航污下载在线观看
English
技术分享
维修/维护
技术分享
应用案例
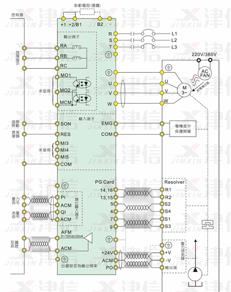
榴莲视频黄片版在线免费观看接线图大全-台达VFD全系列变频器接线图
时间:2019-11-04 作者:榴莲视频导航污下载在线观看变频 点击:次
DELTA台达VFD系列包括VFD-B,VFD-E,VFD-G,VFD-L,VFD-M,VFD-F,VFD-V,VFD-S,VFD-VE,VFD-VJ等多系列变频器,其接线图大全如下:
一、DELTA台达VFD-B变频器接线图
二、DELTA台达VFD-E变频器接线图
三、DELTA台达VFD-F变频器接线图
四、DELTA台达VFD-G变频器接线图
五、DELTA台达VFD-L变频器接线图
六、DELTA台达VFD-M变频器接线图
七、DELTA台达VFD-S变频器接线图
八、DELTA台达VFD-V变频器接线图
九、DELTA台达VFD-VE变频器接线图
十、DELTA台达VFD-VJ变频器接线图
返回列表
网站地图