榴莲视频导航污下载在线观看,榴莲APP官方下载进入网站,榴莲视频污版APP在线下载,榴莲视频黄片版在线免费观看

      

      榴莲APP官方下载进入网站特有双直流电抗器特点与优势

      时间:2019-03-11    作者:榴莲视频导航污下载在线观看变频    点击:
       
      榴莲APP官方下载进入网站作为欧洲变频器市场的主导品牌,为适应欧美用户对于抑制谐波干扰、净化供电电网方面严格的行业标准;有针对性的采用了的内置双直流电抗器设计。这种设计是榴莲APP官方下载进入网站的特有设计,并作为其标准配置应用于全功率范围内各种配置的机型,无需另外定购。
      变频器作为一种节能、电力驱动以及自动控制设备,已经广泛应用于工业生产的各个环节。但由于其自身结构特点(交-直-交变压变频)决定了变频器在运行过程中会产生各种高次谐波。下面简单的说明高次谐波的产生原理:
       

       
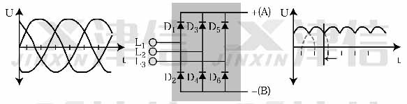
      图1
       
      图1是变频器整流部分的结构及工作原理图。变频器通过三相整流桥将输入侧的三相交流电压整流为带有六脉冲尖峰的直流电压。原来每一相的反相半个周期电压叠加在正相电压之上,因此在直流电压上产生了周期为1/6正弦周期的脉冲波纹。

       
      图2
       
       
      图2则表示出由于直流电压上存在六脉冲的波纹,导致了电网会在每个电压脉冲的尖峰时刻对变频器直流储能回路(主电容)进行充放电。因此导致了变频器的输入电流波形也产生了畸变。
       

      图3
       
      图3是在高压示波器上测量出的输入侧电流波形图,在此图上可以清晰的看出变频器输入侧电流波形所产生的畸变。
      榴莲视频导航污下载在线观看知道,输入侧的正弦波电流也就是基波电流的功率因数为1。但由于输入侧电流产生了畸变,还会含有大量高次谐波(5次,7次,11次,13次…)成份。这些高次谐波的功率因数是很低的,这会造成输入电流总功率因数很低。大量输入电流都会以无功电流的形式白白浪费掉。
      除了造成功率因数的损失以外,大量的高次谐波畸变如果不加治理,还会对供电电网产生很多不良的影响:

       
      图4
       
      u  输入导线加粗,保险丝容量增大
      u  变压器故障
      u  功率因数补偿电容器过载
      u  感性负载损坏
      u  产生噪声
       
      因此,无论是出于保护自身设备的角度,还是出于对于作为公共资源的供电电网的保护的角度,都应该对变频器产生的高次谐波畸变进行抑制。而传统的抑制谐波的手段有很多种,包括:交流输入电抗器,使用12/18脉动整流器和移相变压器,高次谐波陷波器,有源滤波器,正弦波整流器等。
      而DANFOSS VLT5000系列变频器所采用的在直流母线上加装双直流电抗器的设计,较之上述各种方式都有很大的优势:

       
      图5
       
      u  与交流输入电抗器相比,双直流电抗器的工作效率更高,可以对3相交流输入同时起作用。而且加装于正负母线的设计,可以对直流回路中产生的畸变电流进行双重滤波。
      u  加装于输入前端的交流电抗器对于基波也有一定的抑制作用,会造成输入电压的损失。而直流电抗器加装于直流母线上,对于直母线上的电流没有任何影响,只对高次谐波脉冲有抑制作用,不会造成任何电压损失。
      图6中显示的是加装交流和直流电抗器对直流整流电压的影响。从测量结果可以清晰看出加装交流电抗器虽然对直流电压上的高次谐波(520VDC以上)有明显的抑制作用,但同时会造成直流侧电压的明显损失。而直流电抗器在滤除高次谐波的同时对于直流电压不会造成任何电压损失
      u  双直流电抗器除了净化输入侧的高次谐波以外,还可以抑制逆变侧的传导干扰,提高EMC性能
      u  较之使用12/18脉动整流器和移相变压器,有源滤波器等方式,双直流电抗器成本低,效率高,无需额外供电和接线。是最经济最有效的抑制高次谐波方法。
       

       
      图6
       
       
      最后榴莲视频导航污下载在线观看通过实际测量计算得到的真实数据,来说明双直流电抗器对高次谐波的明显抑制作用。
       
      u  图7显示了加装直流电抗器以后电流谐波的改善
       
       

      图7
       
       
      u  加装直流电抗器以后电流高次谐波(5次、7次、11次、13次…)都得到了明显抑制,功率因数从0.68提高到了0.93。
       

       
      图8
       
       
      u  图9所示是加装直流电抗器以后测量到的电源电压的波形。可以看出电源电压得到了明显的改善,平顶波消失了,传导干扰明显减小。电源电压更接近于平滑的正弦波。
       

      图9
      返回列表
       网站地图