榴莲视频导航污下载在线观看,榴莲APP官方下载进入网站,榴莲视频污版APP在线下载,榴莲视频黄片版在线免费观看
首页
企业中心
公司简介
企业文化
认证获奖
组织架构
大事记
加入榴莲视频导航污下载在线观看
新闻资讯
行业新闻
公司新闻
产品信息
丹佛斯产品系列
汇川产品系列
伟肯产品系列
海利普产品系列
台达产品系列
技术服务
维修和维护
丹佛斯售后服务
技术培训
专业文章
资料下载
工程技术
工程技术
联系榴莲视频导航污下载在线观看
English
应用案例
维修/维护
技术分享
应用案例
榴莲视频污版APP在线下载在水泵谐波治理上的应用案例
时间:2019-06-26 作者:榴莲视频导航污下载在线观看变频 点击:次
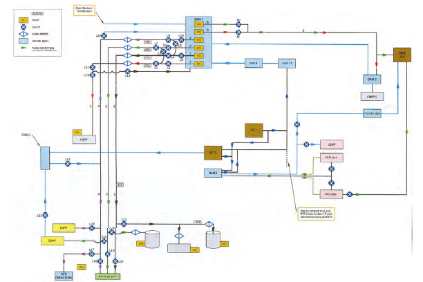
某露天矿场需要考虑三处大型设施中的水资源集中管理和水资源重复利用问题,经过选型和估算,决定建立一个可处理二百万立方米的水处理设施。示意图如下:
为了满足设计要求,水处理设施采用6台500KW的水泵,输入电压为11KV,水泵驱动电压415V。同时,水处理设施要考虑周边的其他设施和居民的使用。这要求谐波失真水平(THDU)必须达到11千伏时低于0.9115%。综合考虑性能和成本后,项目最终采取了榴莲视频污版APP在线下载的低谐波能量再生变频柜解决方案。
伟肯NXC低谐波能量再生型变频柜可完美应用于各种具有高等级功率质量要求的领域。该系列产品不仅能够实现真正的低谐波驱动,同时还拥有回馈制动功能及用于输出功率最大化的升压功能。在正确安装的条件下,可全面满足IEEE-519 G5/4谐波标准。超低的电流总谐波失真(THDI)可有效降低输入电流,因而可以使用更小规格的变压器,保护装置和电源电缆。并可利用6脉冲变压器替代12或18脉冲变压器,从而有效降低项目投资费用。
主要特性
总电流谐波失真小于5%
高效能量回馈
功率因数可调
结构紧凑,选件丰富
功能和优点:
无需额外设计、建造或添加冷却风扇,降低投资成本。
控制单元拆装方便,键盘可插拔,以缩短调试和维修时间。
配置安装导轨和拉出式夹具,方便操作和维修。
坚固耐用,设计经过形式测试,可降低维护成本。
方案实施后,该项目6 x 500KW驱动器在415V情况下总谐波失真度低于1.34%,转换为11千伏时THDU为0.67%,远低于0.9115%的要求。
返回列表
网站地图