
在现代社会,电力已经成为人类生产生活不可或缺的部分,如果缺乏电力,正常的生活将难以运转。对于工业领域来说,缺乏电力,即便是很短的几秒钟,也会造成过程工艺的失败和经济的损失。这就要求发电厂做好充足的预防措施,当电力系统出现故障时,能立刻恢复正常的供电,尽量降低因断电造成的经济损失。
随着储能技术的不断发展,已逐步成为众多工厂乃至电厂解决电力供应问题的优选方案。
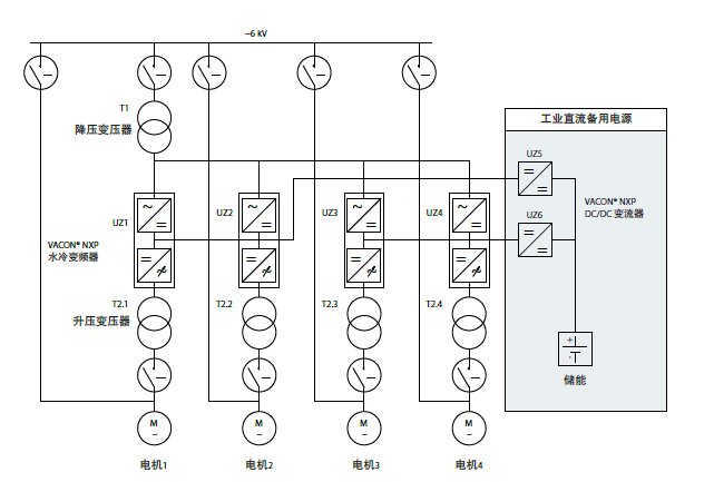
位于俄罗斯的一个大型发电厂常年受到主电源掉电或晃电的困扰,一旦出现故障,即便只是几秒钟,都会造成经济损失。因此需要一套即使在很短时间内的电源电压下降,电厂可以不中断的正常运行的解决方案。
俄罗斯IC-ART公司在接到这一项目后,选择了配置丹佛斯VACON® NXP DC/DC产品的直流备用电源系统,可以在各种情况下确保供电的可靠性及灵活性。

2台DC/DC变流器
全力保障系统稳定供电
通过采用低压水冷变频器并结合“降压-升压”方案,来驱动中压电机,IC-ART 和丹佛斯共同开发的直流备用电源系统来保证主电晃电或故障时的可靠持续运行。

灵活便捷
满足用户实际需求
整套方案采用了很少的元器件,通过简单的连接便集成了丹佛斯的应用功能,保证了非常灵活便捷的调试和服务流程。在本次项目中,IC-ART 提供了一套十分灵活的工业直流备用电源系统,也就是不间断电机传动系统 (UMDs)。
这套系统能够根据用户实际需求灵活应用,具备以下特点:
01 不同的拓扑
02 不同类型的变频器
03 不同的储能拓扑结构
04 不同的布局
05 如果需要,用到既有的电池